Съдържание: Премахване ⇩ Монтиране ⇩
Премахване
1. Свалете тапицерията на вратата.
За повече информация вижте главата: Панел на предната врата (501-05 Вътрешна облицовка, Демонтаж и монтаж).
2. Отстранете панела за укрепване на вратата и подпрете стъклото с дъска.
За повече информация вижте главата: Панел за захранване на предната врата (501-03 Заключващи се елементи на тялото, Демонтаж и монтаж).
3. Разкачете задвижващия прът от механизма на дръжката.
4. Разкачете пръта от заключващия лост на цилиндъра.

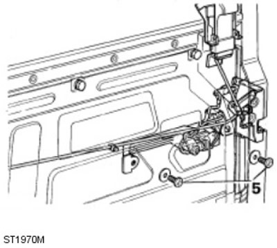
5. Отстранете двата винта и свалете модула на дръжката.

Монтиране
1. Поставете дръжката на вратата, като се уверите, че и двата елемента на рамката са на място: плоски повърхности към вратата - и закрепете с два винта.
2. Свържете пръта към лоста за задвижване на дръжката и го закрепете с пружинна скоба.
3. Свържете пръта към заключващия лост на цилиндъра и го закрепете с пружинна скоба.
4. Монтирайте панела за укрепване на вратата.
За повече информация вижте главата: Панел за захранване на предната врата (501-03 Заключващи се елементи на тялото, Демонтаж и монтаж).
[Оригиналната статия можете да намерите тук: LRman.ru]
Коментари към тази статия