Съдържание: Премахване ⇩ Монтиране ⇩
Премахване
1. Отстранете декоративния панел на вратата и пластмасовото покритие.
За повече информация вижте главата: Панел на предната врата (501-05 Вътрешна облицовка, Демонтаж и монтаж).
2. Отстранете пластмасовото покритие.
3. Отстранете четирите винта, закрепващи прозореца към опорния панел.
4. Отстранете 5-те винта, закрепващи опорния панел към рамката на вратата.

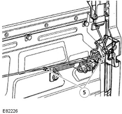
5. Освободете пръта на дръжката на вратата от заключващия механизъм и от пластмасовата скоба в опорния панел.
6. Плъзнете лоста на регулатора на прозореца от канала на опорния панел и свалете панела с дръжката на вратата и нейния прът.

Монтиране
1. Поставете лоста на електрическия прозорец в канала на опорния панел.
2. Свържете пръта на дръжката на вратата към заключващия механизъм и го закрепете със скоба.
3. Инсталирайте опорния панел и го закрепете с 5 винта.
4. Закрепете регулатора на прозореца към опорния панел с четири винта.
5. Повдигнете и спуснете прозореца, за да проверите свободата на движение.
6. Монтирайте пластмасовия лист и панела на вратата.
За повече информация вижте главата: Панел на предната врата (501-05 Вътрешна облицовка, Демонтаж и монтаж).
Коментари към тази статия